Станция пожаротушения FEEJ100/9 (2 х CDM20-8 - 11kW, jockey CDMF3-15 - 1.5kW)
Страна
Китай
Наименование румынское
Stație de stingere a incendiilor FEEJ100/9-17,5-27-3 (2 × CDM20-8 – 11 kW, jockey CDMF3-15 – 1,5 kW)
Купить Станция пожаротушения FEEJ100/9 (2 х CDM20-8 - 11kW, jockey CDMF3-15 - 1.5kW) Код товара:FEEJ100/9
Станция пожаротушения FEEJ100/9.
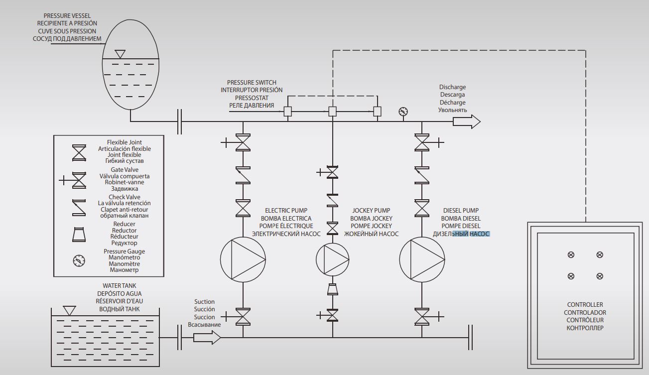
Оснащена двумя основными электрическими насосами CDM20-8 (11 кВт) и поддерживающим насосом Jockey CDMF3-15 (1,5 кВт). Система предназначена для надежного и долговечного водоснабжения противопожарных установок. Конструкция выполнена на прочной стальной раме, с индивидуальными линиями контроля давления, обратными и запорными клапанами. Соответствует международным требованиям NFPA, обеспечивает автоматический запуск основного насоса при падении давления ниже заданного уровня.
Оснащена двумя основными электрическими насосами CDM20-8 (11 кВт) и поддерживающим насосом Jockey CDMF3-15 (1,5 кВт). Система предназначена для надежного и долговечного водоснабжения противопожарных установок. Конструкция выполнена на прочной стальной раме, с индивидуальными линиями контроля давления, обратными и запорными клапанами. Соответствует международным требованиям NFPA, обеспечивает автоматический запуск основного насоса при падении давления ниже заданного уровня.
Войдите в учётную запись, чтобы мы могли сообщить вам об ответе




