Caracteristici tehnice
Brand
FERRUM
Culoare
Argintiu.
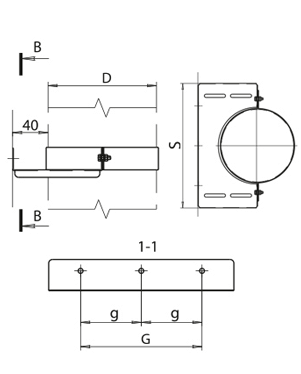
Element coș de fum
стеновой хомут
Greutatea
0,58
Grosimea oțelului
0,5
Material
oțel inoxidabil
Scop
pentru fixarea elementelor coșului de fum
Țara de origine
RUSIA
Tipul de sudură
лазерная
Utilizare
pentru sistemele de evacuare a fumului
Denumire în limba română
Clema perete cos de fum Ferrum D200
Cumpără Стеновой хомут для дымохода Ferrum D200 Codul produsului:f5711
Бренд FERRUM, Наименование румынское Clema perete cos de fum Ferrum D200
Conectează-te ca să te putem notifica când primești un răspuns



